![]()
Recent projects have been throughout the UK, Ireland, Channel Islands and also overseas.
Projects range from the design of retaining structures to deep basements, through foundation design for transport infrastructure projects, to soil nailing of unstable slopes and challenging limited access piling for bridges and structures. Geotechnical analysis services are also offered, for example Finite Element Analysis to predict ground movements and settlements.
Please choose on a project below for more details.
Requirements
Raison Foster Associates were asked to investigate the stresses within the tunnel section base slab for a cut and cover tunnel.
The project is confidential in nature and, as such, the location and specifics of the project have not been included but the analysis methods and outcome of analysis will be discussed.
![]()
Constraints
Drainage pipes have been cast into the base slab and the client wanted to understand the stresses on these pipes. Consequently, the client required more rigorous analysis using finite element analysis (FEA) methods.
![]()
Analysis
To carry out the FEA check, Raison Foster used Oasys SAFE (Version 19.0). This program is designed to carry out finite element computations for a wide range of geotechnical situations. The program computes soil stresses, strains and deformations through one or more sequences of events allowing staged construction to be considered directly. Time dependent consolidation and steady state seepage can also be modelled. The program provides displacements, total and effective stresses, strains and pore water pressures as either tabulated or plotted output.
![]()
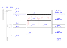
Geometry
A section that was representative of the deeper cut and cover tunnels was chosen for the analysis, The section has been prepared on the basis of as built drawings and a review of the local site investigation boreholes. For the SAFE analyses, a half section has been adopted as shown for an axisymmetric analysis. At this location the excavation is approximately 23m wide with parallel 1.2m wide diaphragm walls providing the temporary works support with one or two levels of 1320mm diameter tubular steel props. Excavation at this chainage was taken to 15.5m depth prior to construction of the reinforced concrete tunnel section and backfilling.
![]()
Materials and Soil Modelling
Although a range of material models are available, this analysis used the linear elastic model for the structural elements (tunnel segments, diaphragm wall, temporary props etc.) and the elastic Mohr-Coulomb model for the different soils.
The analyses are intended to investigate most probable behaviour under service conditions with final stages to represent service limit (SLS) and ultimate limit (ULS) conditions. Soil design parameters are therefore unfactored for all stages of the analysis. Both drained and undrained soil behaviour were modelled.
![]()
Construction Sequence
0. Initial conditions
1. Install diaphragm wall and excavate to 5m depth
2. Prop and excavation to 10.5m depth with dewatering
3. Prop and excavation to 15.5m depth with dewatering
4. Construction and delay at formation level with dewatering
5. Place drainage layer and cast tunnel base slab
6. Remove lower prop
7. Complete tunnel segments
8. Backfill above tunnel to underside of upper prop
9. Remove upper prop
10. Backfill above tunnel to ground level
11. Construct road formation inside tunnel
12. SLS long term conditions
13. ULS long term conditions
Alternative analyses have been carried out assuming a construction delay (Event 4) sufficient to allow fully drained behaviour and full dissipation of negative pore water pressures following completion of the excavation.
![]()
Results
It was possible to compare the maximum computed bending moment taken from the various SAFE output for comparison with the ultimate bending moment capacity and cracking moment for the diaphragm wall. In all cases the margin between the ultimate bending moment capacity and computed values is sufficient to ensure adequate long term durability and performance of the diaphragm walls. This will ensure any long term support provided by the retaining walls is likely to remain for the design life of the tunnel.
SAFE computed deflections for the tunnel base slab were also reviewed. Net movements were reviewed for the period between casting the base slab and the long term SLS case.
Additional outputs were extracted from the SAFE computations to investigate the likely bearing pressures between the tunnel base slab and the underlying ground. Plotted output for the SLS and ULS analysis stages are shown. For both analysis cases, it is shown that the available bearing capacity exceeds the computed bearing pressure by a sufficient margin.
The drainage pipe is embedded in the base slab about 1.25m from the side of the wall. Maximum computed bending moments, shear forces and thrusts were extracted from the SAFE results to assess the capacity of the pipe.
![]()
Credits
Study prepared by Oasys
Geotechnical Engineer: Raison Foster Associates
Client: May Gurney
Overall project value: over £275m
![]()
Background
This project is part of the £275m regeneration plan to provide retail and residential space on the old Nestlé factory site in Norwich City Centre. After completion in 2005 it was expected to provide 2000 new jobs and to make Norwich a retail centre to rival Cambridge and Peterborough.
The development required the construction of an extensive 12m deep basement, supported by multi-propped contiguous pile walls involving the construction of around 2000 piles.
![]()
Ground Conditions
Made Ground and superficial Norwich Crag sands overlie very weak chalk. Solution features are present within the chalk.
![]()
Raison Foster Associates Brief
Raison Foster Associates provided general geotechnical support and design services for the design of the capping beams, two sections of wall for the 12m deep basement and the steel reinforcement for the large diameter foundation piles. Raison Foster worked alongside the Client's geotechnical engineers to provide additional back up and resources.
The capping beams were typically 1250mm wide x 1000mm deep, although the capping beam sections were quite complex to satisfy the layout of floor slabs, columns, internal beams, external walls, access ramps and services. Their design was based on loading details and outline drawings from the Structural Engineer and pile layout proposals from the Client. The basement walls consisted mainly of 750mm and 900mm diameter contiguous piles.
One section of the basement wall formed the abutment walls to a proposed highway bridge. This required 1050mm diameter piles up to 24m deep.
Piling and capping beam construction were undertaken between April and December 2003 and the basement excavation was completed in early 2004.
Client: May Gurney
Overall project value: over £25m
![]()
Background
The redevelopment of the University of Cambridge Sidgwick site involved the construction of two multi-storey structures for the faculty of English and the Institute of Criminology. Both included basements up to 5m deep. The surrounding buildings continued to be used for teaching students and building works were very congested and constrained by existing structures.
![]()
Ground Conditions
The ground conditions comprised Made Ground and superficial Head Deposits overlying River Terrace Gravels and Gault Clay. There was also a high ground water table. There were further complications on the Institute of Criminology site, where a buried channel within the Gault clay infilled with mixed sands and clays was identified beneath part of the proposed structure.
![]()
Raison Foster Associates Brief
To design the hard-soft secant pile walls for basement support, prepare setting out drawings and produce pile schedules for both buildings.
Hard-soft secant pile walls were designed to provide support in both temporary and permanent conditions and to achieve a seal against the ingress of groundwater into the basement excavations during construction works. The walls were also designed to support structural loads from the multi-storey structures. Propping was provided at capping beam level to restrict wall movement and reduce piling costs.
At the Institute of Criminology, the basement wall was constructed approximately 1m from the face of a 4 storey lift tower. The design allowed for the surcharge load from this tower and concern over potential tilting of the tower led to a strict deflection limit of less than10mm in this area. The wall was propped at two levels and movements carefully monitored during pile construction and basement excavation.
Over 400 hard piles, with an equivalent number of soft piles, were installed by our Client May Gurney during August and September 2002 and the basement excavation was completed in early 2003.
Both buildings were completed during 2004.
Client: WS Atkins Consultants
![]()
Background
As part of the up-grading of the West Coast Route, new overhead line electrification (OLE) structures were installed to replace life-expired existing structures and to limit the wire deflection at exposed locations under high winds by reducing the spans between structures. Over 1000 new OLE structures were proposed, the majority of which are located on high embankments in North West England and the South of Scotland.
![]()
Raison Foster Associates Brief
Raison Foster Associates worked as a sub-consultant to WS Atkins Consultants as part of the design team to project manage and co-ordinate the embankment risk assessment and OLE structure foundation design programme for W S Atkins.
The embankment stability issues were investigated. Research identified that there was little experience of installing driven steel cased piles on marginally stable embankments.
A procedure for geotechnical decision-making was proposed by the design team based on the information obtained from the embankment inspections by W.S. Atkins' geotechnical engineers.
A risk assessment system using the findings of the desk study, field survey and on-site inspection was developed in order to rank the proposed structure locations. This enabled the highest risk locations to be identified and examined in further detail.
This approach enabled driven piling to proceed at most of the structures, reducing the delay which had become a project risk. At high risk locations, survey and ground investigation works were instructed to give a detailed assessment of embankment stability. Following this, alternative foundation design proposals based on non-percussive and non-displacement piles were developed.
Monitoring of embankment locations during construction has confirmed the success of the procedure in managing the geotechnical risk
Client: WS Atkins Consultants
Overall project value: £30m
![]()
Background
A crucial element of Network Rail's blockade strategy for the West Coast main line involved electrification of the 16km Crewe to Kidsgrove line. A fast track programme allowed less than 3 months for design and approvals, prior to a 3½ month blockade for construction works.
![]()
Geotechnical Issues
Design of piled foundations for approximately 300 masts, utilising a 610mm diameter driven steel tube, installed from a "piling train".
Risk assessment of embankment stability during pile driving
Embankment stabilisation at three locations, involving two lengths of tied sheet pile wall and a section of re-grade where space permitted.
Consideration of cutting stability where OLE structures are present
Coal and salt mining beneath the route
Limited ground investigation data was supplemented by using cone penetration testing from rail mounted vehicles.
![]()
Raison Foster Associates Brief
Raison Foster Associates worked as a sub-consultant to WS Atkins Consultants as part of the design team to project manage and co-ordinate the geotechnical design for this railway electrification scheme. The project required a fast-track programme to deliver the outline and final designs and prepare approvals documents to meet the construction deadlines. This involved close liaison with the construction team, electrification and structures teams and Network Rail project team. Design solutions were developed by the geotechnical team to suit the programme constraints. The programme was met and the electrification project was completed within the blockade period during May to August 2003.
Employer Project Manager: Network Rail Bechtel
Construction / design team: WCRM OLE Alliance
Geotechnical Consultant: W S Atkins Consultants
Raison Foster Client: W S Atkins Consultants
